返回主站 | 设为首页 | 加入收藏      
   
 
  首页 关于我们 产品展示 方案设计 技术分享 行业资讯 联系我们  
 
无线收发IC
2.4G无线收发IC
315MHz/433MHz无线遥控器发射接收IC
功放IC
电源管理IC
马达驱动IC/步进电机控制芯片
数模(DAC)/模数(ADC)转换芯片
智能处理器
音量控制IC
模拟开关IC
电容式触摸感应IC
RGB LED呼吸趣味灯驱动IC
音频CODEC IC
方案设计
电压电平转换器IC
运算放大器
I/O扩展器IC
 
名称:
种类:
类别:

业务洽谈:

联系人:张顺平 
手机:17727550196(微信同号) 
QQ:3003262363
EMAIL:zsp2018@szczkjgs.com

联系人:鄢先辉 
手机:17727552449 (微信同号)
QQ:2850985542
EMAIL:yanxianhui@szczkjgs.com

负责人联络方式:
手机:13713728695(微信同号) 
QQ:3003207580 
EMAIL:panbo@szczkjgs.com
联系人:潘波

 
 当前位置:首页->产品展示 ->音量控制IC->M65831AP/M65831FP/AX65831(卡拉OK混响IC)
产品名称: M65831AP/M65831FP/AX65831(卡拉OK混响IC)
封装形式: SOP-24/DIP-24
兼容型号: M65831/PT2396
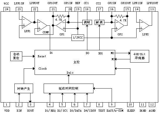
产品功能: 混响处理芯片,该芯片应用于卡拉OK中。与同类数字延迟电路相比,本产品有较大的存储器
资料下载: M65831 .pdf
在线销售:
给我发消息
李湘宁 2850985550
给我发消息
姚红霞 3002514837
给我发消息
鄢先辉 2850985542
13713728695
 
    详细介绍  

产品概述

    AX65831是一款混响处理芯片,该芯片应用于卡拉OK。与同类数字延迟电路相比,本产品有较大的存储器。AX65831可应用在高品质系统,适合于卡带录音机和微型音频系统。采用SOP-24/DIP-24封装,管教功能完全兼容M65831/PT2396。

主要特点

l     内含A/DD/A转换器,两个低通滤波器和48k位的存储器

l     低噪声(典型值92dB

l     低失真(典型值0.5%

l     两种控制模式:EASY模式下并行数据控

制,μ-COM模式下串行数据控制

l     睡眠模式可以选择停止芯片工作

l     内置自动复位电路

典型应用

卡拉OK系统、TV系统或者电子设备中。

应用原理图

 
 
    您可能对以下产品感兴趣  
产品型号 功能介绍 封装形式 工作电压 备注 兼容型号
CS8673 2X42W/24V/8Ω或82W/24V/4Ω ESOP-16 5.0V-26V 具备扩频功能、低空载电流、免电感、2X40W立体声、80W单声道D类音频功放IC
CS86189 2X25.5W/14V/4Ω或47W/18V/4Ω TSSOP-28 6V-18.5V 无滤波2X25W立体声D类功放IC,管脚兼容TPA3110 TPA3110/CS8618/CS3815
CS5082 CS5082E是一款5V输入,支持双节锂电池串联应用,锂离 子电池的升压充电管理IC.CS5082E集成功率MOS,采用异步开关架构,使其在应用 时仅需极少的外围器件,可有效减少整体方案尺寸,降低BOM成本。 CS5082E的升压开关充电转换器的工作频率为600KHz最大2A输入充 电,转换效率为90%。 ESOP-8 3.44V-7.0V 带NTC功能、5V USB输入、双节锂电池串联应用、升压充电管理IC,管脚兼容CS5080 CS5080
CS8623 32W/16V/4Ω ESOP-16 5.7V-17V 可使用单面PCB、免滤波、30W单声道D类音频功放IC,管脚兼容CS8622 CS8622
HT560 2X40W/18V/4Ω或75W/24V/4Ω QFN-36 4.5V-26V 30W立体声D类I2S输入音频功放
双节锂电池7.4V供电实现2X20W音频放大/升压/USB充电组合解决方案 PO at 1% THD+N, VIN = 7.4V ,2X18W((BOOST升压值为15V)) 6V-8.4V
HT7178 输入电压范围:2.7V -14 V;输出电压范围:4.5V-20V ;可编程峰值电流: 14A DFN-20 2.7V-14V 20V 14A带输出关断的全集成同步升压IC TPS61088/HT7167
HT317 2X42W/18V/4Ω或75W/24V/4Ω TSSOP-28 5V-26V 42W立体声/75W单声道D类功放IC,,工作电压5-26V,极限耐压32V!
CD2399 CD2399 是一款混响处理芯片,该芯片具备数模、模数转换功能和很高的取样频率,同时还 内置了一个44K 的存储器。 SOP-16/DIP-16 3.0V-7.0V 音频混响IC PT2399
AX3005 2X10W/12V/8Ω QFP-48/HSOP-28 8V-18V 兼容TPA3005,10W双声道D类功放IC TPA3005
 
 
深圳市永阜康科技有限公司 粤ICP备17113496号  服务热线:0755-82863877 手机:13242913995