返回主站 | 设为首页 | 加入收藏      
   
 
  首页 关于我们 产品展示 方案设计 技术分享 行业资讯 联系我们  
 
无线收发IC
2.4G无线收发IC
315MHz/433MHz无线遥控器发射接收IC
功放IC
电源管理IC
马达驱动IC/步进电机控制芯片
数模(DAC)/模数(ADC)转换芯片
智能处理器
音量控制IC
模拟开关IC
电容式触摸感应IC
RGB LED呼吸趣味灯驱动IC
音频CODEC IC
方案设计
电压电平转换器IC
运算放大器
I/O扩展器IC
 
名称:
种类:
类别:

业务洽谈:

联系人:张顺平 
手机:17727550196(微信同号) 
QQ:3003262363
EMAIL:zsp2018@szczkjgs.com

联系人:鄢先辉 
手机:17727552449 (微信同号)
QQ:2850985542
EMAIL:yanxianhui@szczkjgs.com

负责人联络方式:
手机:13713728695(微信同号) 
QQ:3003207580 
EMAIL:panbo@szczkjgs.com
联系人:潘波

 
当前位置:首页 -> 方案设计
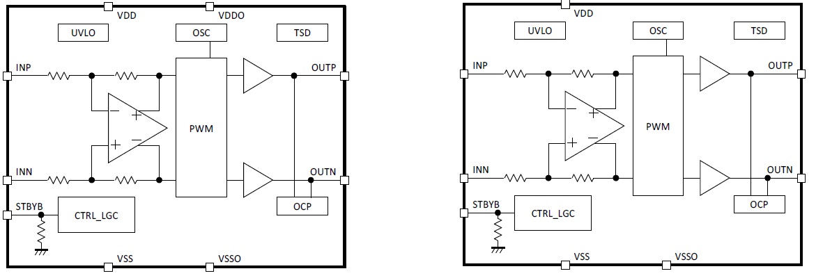
NJU8759A 3.0W输出功率、无需输出滤波器的模拟输入单声道D级功放
文章来源:永阜康科技 更新时间:2021/1/29 9:30:00
概要

NJU8759A 是一款单电源模拟输入且无需输出滤波器的D级功放。 电源电压从1.8V 到5.5V,只需2根电池就可工作。NJU8759A 的D 级动作使之具有1.7W 功率输出 (有8Ω 负载时)和3.0W 功率输出 (有4Ω 负载时)的高输出特点,BTL 输出构成使之无需输出耦合电容。并且,以往的D 级运放必须使用输出LC 滤波器,而使用此产品无需输出滤波器,可消减外接部件。NJU8759A的特点还有1μA (max)的待机电流以及1.8V 单电源启动电压,非常适合用于小型便携设备、随身听音响设备,还有需要电池驱动高输出的报警设备、安防设备等。NJU8759A 的封装系列有备散热盘 exposed pad 的8 脚 HSOP8 封装和用于要求省空间器件的1.45mm x 1.45mm 晶片级别封装NJU8759WLC1 。

性能特征
  • 工作电压 (1.8V to 5.5V)
  • 高输出 (V+ = 5V, THD+N = 10%) (
    - RL = 8Ω 1.7W
    - RL = 4Ω 3.0W)
  • 无需输出LC滤波器
  • 降低POP噪声功能 (启动 / 停止时)
  • 模拟差分输入 / PWM输出
  • 低消耗电流 (V+ = 3.6V) (2.7mA)
    - 待机电流 (1μA max.)
  • 过流保护电路
  • 过热关断电路
  • 欠压锁定保护电路 (UVLO)
  • 封装 (HSOP8)

管脚排列

典型应用图

 
 
 
    相关产品  
 
深圳市永阜康科技有限公司 粤ICP备17113496号  服务热线:0755-82863877 手机:13242913995