随着蓝牙音箱功能和性能的快速提升,消费者对功率的要求也越来越高,在室外应用场景下,单节锂电池直供方案已经越来越难满足市场对于更大功率的需求了。对于音箱的设计者来说,内置升压的音频功放已是更优的选择,功放芯片内置升压模块提供更高的供电电压,从而提高功放的输出功率。
深圳市永阜康科技有限公司现在力推专门为单节锂电池供电的情况下内置升压双声道音频功放IC系列-CS8389/8390产品系列,突破了单节锂电池供电的局限性,为终端产品提供了更为极致的功率输出,自带的AB/D类切换完美解决FM收音干扰。CS8389E/CS8390E管脚兼容,外围应用线路无需改变,功率覆盖3W、4W、5W双声道的应用。
概要
CS8389E/CS8390E是一款内置BOOST升压模块带防破音功能R类音频功率放大器。CS8389E BOOST升压至6.2V可以为4Ω的负载提供2X4.8W的恒定功率.CS8390E BOOST升压至7.3V可以为4Ω的负载提供2X6.6W的恒定功率 .CS8389E/CS8390E管脚完全兼容,为音频子系统的功放设计以及终端产品的升级更换提供了可观的功率裕量以及最大的便利性。在单节锂电池的供电范围内,使得CS8389E/CS8390E成为便携式音箱设备的最优选择.
CS8389E/CS8390E的全差分架构和极高的PSRR有效地提高了CS8389E/CS8390E对RF噪声的抑制能力。无需滤波器的PWM调制结构及内置的BOOST升压模块,尽可能的减少了外 围器件,另外CS8389E/CS8390E内置了过流保护和过热保护,有效的保护芯片在异常的工作条件下不被损坏。
CS8389E/CS8390E提供了纤小的的ESOP16L封装形式供客户选择,其额定的工作温度范围为-40℃至85℃。
描述
内置BOOST模块R类结构,集成D类AB类两种模式
输出功率
CS8389E: PO at 10% THD+N, VIN = 3.7V
RL = 4 Ω 2X4.8W
CS8390E: PO at 10% THD+N, VIN = 3.7V
RL = 4 Ω 2X6.6W
优异的"噼噗-咔嗒"(pop-noise)杂音抑制能力
工作电压范围:2.7V到5.5V
内置20倍的固定增益
4种防破音模式可选
无需滤波的Class-D结构
RL=4Ω+44uH@80%的效率
高电源抑制比(PSRR):在217Hz下为70dB
启动时间 (100ms)
静态电流 (20mA)
低关断电流 (<0.1µA)
过流保护,短路保护和过热保护
符合Rohs标准的无铅封装
封装
ESOP16
应用
便携式蓝牙音箱
管脚排列及定义

管脚说明

典型应用图

DEMO实物图

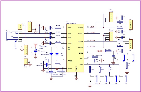
DEMO原理图

DEMO物料BOM清单

PCB顶层设计图

PCB底层设计图

详细的产品资料及销售联络信息请参看:
http://www.szczkjgs.com/products_3798.htm
http://www.szczkjgs.com/products_3799.htm