HT97230介绍
伴随着智能手机、蓝牙耳机、无线麦等越来越多的便携式音频设备的出现,其电路板设计空间越来越不足;将音频信号传输到耳机,一直以来都使用庞大的DC阻隔电容,不仅对电路板空间提出了较大的挑战,对音质的低频部分表现也存在损伤。
而随着人们对音质需求的普遍提高,高保真的蓝牙头戴耳机、专业级耳机设备的需求越来越大,并逐渐向普通消费者延伸。
深圳市永阜康科技有限公司力推的HT97230,是一款不需要输出DC阻隔电容的立体声耳机驱动芯片,具有极其精简的BOM表,并提供纤薄的QFN24无铅无卤封装,非常适用于微型便携式音频设备中。其非凡的失真、信噪比和完全消失的click-pop声,以及卓越的低频保真度,可完美适应人们逐渐提高的音质需求。
传统高保真模拟耳机放大器通常花费高昂的成本来维持低失真、高保真的效果,却仍然需要输入音源前级的多重音效处理,达到更完美的音质。HT97230在耳机放大器端即引入了音效调整,以满足客户的不同音质需求。
HT97230具有的3D环绕模式,能够在立体声耳机上创造3D环绕声的感觉,给耳机声音增加冲击力和环绕声的感觉,感受游戏厅和电影院似的环绕声音响效果。
HT97230具有的低音增强模式,可依据耳机频响特性,对某个频段的低音进行不同程度的提升增强,达到低音增强的效果,对中低音鼓声、中低音人声有明显的增强效果。
HT97230作为耳机驱动芯片,其5V供电时,器件为1kΩ负载提供3VRMS输出驱动;3.3V供电时,为600Ω负载提供2VRMS输出驱动。5V供电时,器件为32Ω耳机负载提供125mW驱动。IC在整个音频频带内提供优异的THD+N。
HT97230内部电荷泵对输入电源反相,产生负电源。放大器的输出级由输入正电源和电荷泵输出负电源供电,双极性供电使得输出偏置在零电位,省去了大尺寸、容易引入失真的输出耦合电容。
HT97230优势和特点
・3D环绕可调
・低音增强可调
・耳机输出无需隔直电容,节省空间和成本,并保证完整低音;
・卓越的低频保真度;
・业界首次消除开关SD的click-pop声;
・非凡的失真水平,THD+N最低至0.001%;
・出众的噪声信噪比,VN: 7uV, SNR:112dB;
・支持全差分输入和单端输入;
・输出能力:125mW (fIN = 1kHz, VDD=5V, RL=32Ω, THD+N=1%);
3Vrms (fIN = 1kHz, VDD=5V, RL=1kΩ, THD+N<0.1%);
2Vrms (fIN = 1kHz, VDD=5V, RL=600Ω, THD+N<0.1%);
・极度精简外围,无铅无卤QFN24L-PP封装;
・电源供电:2.5 - 5.5V。
HT97230应用
蓝牙耳机。
蓝光、DVD播放器。
专业级音频设备。
机顶盒。
HT97230应用设计要点
A.模式控制
通过pin17 CTL的控制,可使HT97230进入不同的工作模式。该引脚支持两种控制方式:
(1)电压控制方式
在CTL引脚输入一定的电压,可使HT97230进入不同的工作模式,具体如下表:
Table.1CTL mode control with voltage
|
CTL voltage
|
Working mode
|
|
0.8*PVDD~PVDD
|
CTL control with pulse
|
|
0.6*PVDD~0.8PVDD
|
BASS + 3D
|
|
0.4*PVDD~0.6*PVDD
|
3D
|
|
0.2*PVDD~0.4*PVDD
|
BASS
|
|
0~0.2*PVDD
|
Normal
|
(2)一线脉冲模式
但CTRL拉高至PVDD(如上表1),在CTRL引脚输入不同脉冲数,即可进入不同的工作模式,如下表:
Table.2CTL mode control with pulse
|
Amount of pulses
|
Working mode
|
|
3
|
BASS + 3D
|
|
2
|
3D
|
|
1
|
BASS
|
|
0,4
|
Normal
|
B.Normal Mode
增益设置:
AV0 = RF/RIN, (RF = RF3//(RF1+RF2))
C.Bass Mode
低音增强+3dB频率点

D.3D Mode
3D环绕音效功能启动+3dB频率点

E.输入滤波器
输入电容CIN与输入电阻RIN组成高通滤波器,其截止频率影响低频信号的输入。截止频率:
f-3dB = 1/(2πRINCIN)
F.输入电容CIN,输入电阻RIN,反馈电阻RF
输入电容CIN,输入电阻RIN,反馈电阻RF应尽可能使用高精度器件,以使芯片发挥更优秀的失真、信噪比等性能。
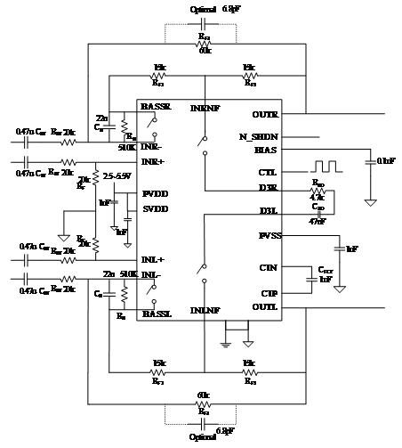
HT97230应用图

Fig.1Top View of HT97230

Fig.2Typical Application of HT97230

Fig.3Schematic Diagram of HT97230 Demo Board

Fig.4Top View of HT97230 Demo Board PCB Layout

Fig.5Bottom View of HT97230 Demo Board PCB Layout
详细的产品信息请参看:
http://www.szczkjgs.com/products_3746.htm