组成无线传输系统的核心部件是无线收发模块,它包括发射模块和接收模块两部分。
TX315A-T01发射模块采用最先进的声表面滤波器件稳频,频率稳定度达10~5量级,工作频率315MHz,适宜用来传输低频的数字编码信号。TX315AR01接收模块,内部含有一整套超外差晶振接收和数据处理电路,具有频率稳定,抗干扰性好之特点,用来接收发射模块发来的无线遥控信号。系统使用了技术成熟的编译码数字集成电路,保证了工作的可靠性。
数字编码无线遥控开关的特点是:抗干扰能力强、频率稳定、工作可靠、耐低温、抗振动、免调试,作用距离60m,可用于矿山工程、建筑工程、工业数据采集系统、安防系统、电力控制设备、吊车控制、机器人控制等领域。
1 电路结构及工作原理
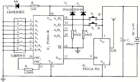
数字编码无线遥控开关由数字编码发射电路和接收、译码控制电路组成。图1为数字编码发射电路原理图,主要由数字编码集成电路IC1(PT2262)和无线发射模块IC2(TX-315A-T01)组成。

图1 数字编码发射电路原理图
PT2262是一块带地址和数据端的数字编码集成电路,A0~A7管脚用于地址编码,可接高电平“1”、低电平“0”或“f”(悬空)3种状态,因此可产生6561种不重复的编码。为简化电路,减少接线,在此只用了“0”和“f”两态编码,地址编码可根据用户要求,通过外部编码开关S1设定。为发射控制端,低电平时发送编码。OSC1、OSC2为外接振荡电阻端,决定电路内的时钟频率。DOUT端为数据输出端,由地址、数据各输入端的编码状态决定,以串行方式输出。外接振荡电阻的阻值一般常选2.2MΩ电阻。
D0~D1管脚用于数据编码,可产生两路控制信号,按动S2~S3可实现“开”、“关”控制。IC2工作电压为3~9V,静态时不耗电,发射时为18mA。
按下S2~S3时,对应的D0~D1端得到高电平,数据编码为“1”,同时通过对应的二极管V2~V3接通编码集成电路的电源,编码器工作,经过编码的信号从IC1的DOUT端串行输出送至IC2的DI数据输入端对IC2进行调制,然后由IC2以315MHz频率发射出去。
图2是接收、译码控制电路原理图。主要由无线电接收模块IC3(TX315A-R01)、数字译码集成电路IC4(PT2272)和控制电路组成。

图2 接收、译码控制电路原理图
IC3工作电压为4~5.5V,工作电流2.4mA,工作频率315MHz,用来接收发射模块发来的无线遥控信号。IC4工作电压为5V,A0~A7是地址输入端,与发射编码器的地址设定应保持一致。D0~D3是4位数据输出端,接收电路只用D0一位端口。V4为发光二极管,作译码指示。当译码器正确译码时,数据端输出相应数据的同时,VT端输出一个高电平脉冲,V4闪亮,表示译码成功,VT端也可用来驱动负载。
数字编码无线遥控开关的工作过程是:按动发射电路中的按键S2(开),发射电路便工作,由IC1(PT2262)所产生的编码信号从DOUT端输出对IC2(TX315A-T01)进行调制,然后由IC2向外发射无线电遥控信号。当接收模块IC3(TX315A-R01)接收到发射机发来的信号时,便进行解调,从IC3的OUT端输出编码数据进入IC4(PT2272)中进行解码,在IC4内部经过核对地址编码正确后,确认其信号码有效,则IC4的VT端输出高电平脉冲,V4闪亮,与此同时相应的数据端D0输出高电平,三极管VT1(9013)导通,继电器KS(HRM2H)吸合,触点动作,开关接通,被控设备工作,松开按键S2后仍然接通。当按动发射电路中的按键S3(关)时,继电器释放,开关断开,松开按键S3后开关仍然断开。
2 元器件选择
数字编码发射电路工作电源为6~9V,可采用一节6F22型6V或9V层叠电池供电,不按按键时,电路不消耗电能,因此电路不再单独设置电源开关。
IC1可选用PT2262数字编码集成电路。数字译码集成电路IC4(PT2272)可根据控制对象选型,IC4的数据输出有“暂存”和“锁存”2种,暂存输出是当发射端信号消失时,PT2272的对应输出端的数据变为低电平;锁存输出是当发射端的信号消失时,PT2272的数据位输出保持原来的状态,直至接收到新的输入数据。PT2272的数据输出位数以后缀来区分。例如PT2272-L4表示输出数据为4位,输出方式为锁存输出(L代表锁存,M代表暂存)。本装置选用的是锁存型译码集成电路。IC2选用TX315A-T01发射模块,IC3选用TX315A-R01接收模块,发射模块与接收模块的引脚功能见图3所示。其它元件无特殊要求,可按图标参数选取。

图3 发射、接收模块引脚功能
3 结语
随着电子技术的不断发展,数字编码无线遥控技术在社会的各个行业中得到了广泛的应用;给各种电气设备的远距离操作带来了很大的方便。为了避免在恶劣环境中工作的电气控制设备给现场操作人员造成人身安全隐患,本文基于TX315A设计了一种数字编码无线遥控开关来解决此类问题。如果将该装置用于对原来电气控制设备进行改装,不需要对原电气控制设备的电路进行任何改造,只需要将原来的手动开关改装成遥控操作即可。如在工矿业中常使用的电力搅拌机,因搅拌的物料常有气味或粉尘,操作人员不宜接近,可用无线遥控开关进行操作这样既安全又方便。